This site is an expanded and significantly upgraded version of the Flickr Commons based tool I wrote several years ago. As well as a major design/UX overhaul, it now includes data from further providers such as those available through Europeana, and also the Imperial War Museum. I'd welcome further suggestions as the harvesting tool and database are easily extendable.
For information, questions and bug reports please contact James Morley @jamesinealing | james@jamesmorley.net
The data has been harvested from providers using some custom php scripts to query respective APIs based on dates. Data is harmonised and stored in a local mySql database.
Additional jQuery plugins are used to enhance the display, including Masonry and Bootstrap Image Gallery (based on blueimp).
The code is openly licensed so please feel free to copy, modify, distribute as you please. It will be shared on Github shortly!
Bellwort (1941). Scale: 1:48. Plan showing the docking plan: body sections, profile and hull breadth (plan view) as fitted for the Flower class corvette HMS Bellwort (1941) built at G Brown & Co.
30 June 1942
National Maritime Museum
Belfast (1938). Scale 1:96. A plan showing the forecastle deck of the Edinburgh class light cruiser HMS Belfast (1938).
The plan is dated 16 November 1942 and is stamped and signed by the Manager of the Constructive Department, Devonport Dockyard.
Alter
November 1942
National Maritime Museum
Belfast (1938). Scale 1:96. A plan showing the hold of the Edinburgh class light cruiser HMS Belfast (1938).
The plan is dated 16 November 1942 and is stamped and signed by the Manager of the Constructive Department, Devonport Dockyard.
Alterations carr
November 1942
National Maritime Museum
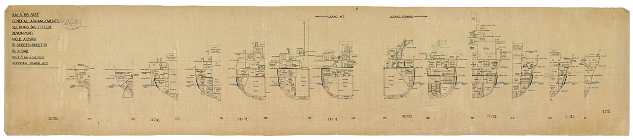
Belfast (1938). Scale 1:96. A plan showing the hull sections at stations 13, 30, 46, 72, 96, 126, 145, 172, 198, 218, 232, 251 and at the aft peak of the Edinburgh class light cruiser HMS Belfast (1938).
The plan is dated 16 November 1942 and is stamped
November 1942
National Maritime Museum
Belfast (1938). Scale 1:96. A plan showing the inboard profile of the Edinburgh class light cruiser HMS Belfast (1938).
The plan is dated 16 November 1942 and is stamped and signed by the Manager of the Constructive Department, Devonport Dockyard.
Alter
November 1942
National Maritime Museum
Belfast (1938). Scale 1:96. A plan showing the lower deck of the Edinburgh class light cruiser HMS Belfast (1938).
The plan is dated 16 November 1942 and is stamped and signed by the Manager of the Constructive Department, Devonport Dockyard.
Alteration
November 1942
National Maritime Museum
Belfast (1938). Scale 1:96. A plan showing the outboard profile and 'top-down' plan view of the Edinburgh class light cruiser HMS Belfast, illustrating the arrangement of the working and WT [wireless telegraphy] rig.
November 1942
National Maritime Museum